STATICS - CASE STUDY SOLUTION

    Composite Parts - Moments of Inertia


Dimension Diagram

 


Object Split into Sections

 

 

 

After breaking the cross section into its composite parts, determine the area, the location of the centroid, and the centroidal moments of inertia for each part.

The centroid and the area of each part were found in the previous section, Centroid: Composite Parts. The moments of inertia for each part can be found from the tables in the Sections Appendix.

For the axis system as shown, the properties for part 1 are,

     x1 = 1 cm    y1 = 3.5 cm     A1 = 6 cm2

     Ix'1 = 1/12 2(3)3 = 54/12 cm4

     Iy'1 = 1/12 3(2)3 = 24/12 cm4

The properties for part 2 are,

     x2 = 8 cm    y2 = 1 cm     A2 = 32 cm2

     Ix'2 = 1/12 16(2)3 = 128/12 cm4

     Iy'2 = 1/12 2(16)3 = 8192/12 cm4

And the properties for part 3 are,

     x3 = 15 cm    y3 = 7 cm     A3 = 20 cm2

     Ix'3 = 1/12 2(10)3 = 2000/12 cm4

     Iy'3 = 1/12 10(2)3 = 80/12 cm4

Part 4 is a triangle and its properties are,

     x4 = 17.33 cm    y4 = 10.67 cm     A4 = 8cm2

     Ix'4 = 1/36 4(4)3 = 256/36 cm4

     Iy'4 = 1/36 4(4)3 = 256/36 cm4

     

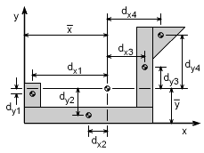
Distances from Global Centroid
 

These can be used with the following equations to find the moments of inertia of the entire cross section with respect to the centroid of the cross section.

     

Here dxi and dyi are the distances from the centroid of the cross section (global centroid) to the centroid of any part i. These distances are given by the equations:

     

     
Part x y
1 1 3.5
2 8 1
3 15 7
4 17.33 10.67
combined 10.616 4.218
Centroids for Each Part and Total
(from Centroid: Composite Parts)
 

Substituting x, y and the results of the above equations give,

     dx1 = 10.616 - 1 = 9.616 cm
     dy1 = 4.218 - 3.5 = 0.718 cm 

     dx2 = 10.616 - 1 = 2.616 cm     
     dy2 = 4.218 - 1 = 3.218 cm 

     dx3 = 10.616 - 15 = -4.384 cm
     dy3 = 4.218 - 7 = -2.782 cm 

     dx4 = 10.616 - 17.33 = -6.714 cm
     dy4 = 4.218 - 10.67 = -6.452 cm 

Substituting each dxi, dyi, Ix'i, and Iy'i into the basic summation equations give

     Ix = 1,011 cm4

     Iy = 2,217 cm4

In the theory page, the polar moment of inertia was show to be equal to

     Jz = Ix + Iy

Substituting for Ix and Iy gives the polar moment,

     Jz = 3,228 cm4

Since this is not a symmetrical cross section, the product of inertia, Ixy is not zero. The produce of inertia is used for un-symmetrical bending which is not covered in this statics eBook.

     
   
 
Practice Homework and Test problems now available in the 'Eng Statics' mobile app
Includes over 500 free problems with complete detailed solutions.
Available at the Google Play Store and Apple App Store.